-
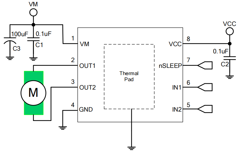
单通道 3.0-12.0V 持续电流 3.0A H桥驱动芯片SA8323,苏州单通道直流马达驱动芯片
发布时间:2024-10-25单通道 3.0-12.0V 持续电流 3.0A H桥驱动芯片SA8323,单通道直流马达驱动芯片描述 SA8323是为消费类产品,玩具和其他低压或者电池供电的运动控制类应用提供了一个集成的电机驱动器解决方案。此器件能够驱动一个直流无刷电...
查看详情 -
YX8284带充放电管理的两路苏州LED驱动芯片
发布时间:2024-08-26YX8284带充放电管理的两路LED驱动芯片特性?通过改变S引脚状态,有两种输出模式选择 S引脚悬空:L1,L2同时输出,模式切换为100%-25%-8HZ闪-OFF; S引脚接地:L1,L2分别输出,模式切换为L1_100%-L1_25%...
查看详情 -
SA8313 单通道 2.5-10.0V 持续电流 2.3A 苏州H 桥驱动芯片
发布时间:2024-08-23SA8313 单通道 2.5-10.0V 持续电流 2.3A H 桥驱动芯片描述 SA8313是为消费类产品,玩具和其他低压或者电池供电的运动控制类应用提供了一个集成的电机驱动器解决方案。此器件能够驱动一个直流无刷电机,由一个内部电荷泵生成...
查看详情 -
12V 苏州直流电机驱动芯片 BDR6122F
发布时间:2024-06-0612V 直流电机驱动芯片 BDR6122F产品概述 BDR6122F 是一款直流电机驱动芯片,适用于智能锁、智能仪表、阀门等领域。 BDR6122F 输出直流电流达到 1.9A。有两组工作电压:VM 工作范围是 0~12V,VCC 工作范围...
查看详情 -
12V苏州直流电机驱动芯片 BDR6122F
发布时间:2024-04-2912V直流电机驱动芯片 BDR6122F产品概述 BDR6122F 是一款直流电机驱动芯片,适用于智能锁、智能仪表、阀门等领域。 BDR6122F 输出直流电流达到 1.9A。有两组工作电压:VM 工作范围是 0~12V,VCC 工作范围是...
查看详情 -
双通道苏州有刷直流电机驱动芯片TC1508A
发布时间:2024-04-14双通道有刷直流电机驱动芯片TC1508A概述 该产品应用于各种具有马达正反转驱动的产品比如遥控玩具车仔、电动牙刷等。电路内部集成了采用 N 沟道和 P 沟道功率 MOSFET 设计的 H 桥驱动电路,适合于驱动有刷直流马达或者驱动步进马达的...
查看详情



服务热线
公司地址:
公司邮箱: