-
DC苏州双向马达驱动芯片 BD6288M 有刷直流电机驱动IC
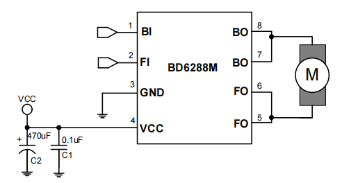
发布时间:2025-04-13DC双向马达驱动芯片 BD6288M 有刷直流电机驱动IC产品概述 BD6288M 是一款 DC 双向马达驱动电路,它适用玩具等类的电机驱动、自动阀门电机驱动、电磁门锁驱等。它有两个逻辑输入端子用来控制电机前进、后退及制动。该电路具有良好...
查看详情 -
苏州三相无刷马达驱动芯片 SA8370;小家电马达驱动芯片
发布时间:2025-02-12三相无刷马达驱动芯片 SA8370;小家电马达驱动芯片描述 SA8370是为消费类产品,智能硬件和其他低压或者电池供电的运动控制类应用提供了一个集成的电机驱动器解决方案。此器件能够驱动一个三相直流无刷电机,由一个内部电荷泵生成所需的栅极驱动...
查看详情 -
SA8344 苏州H桥驱动芯片参数怎么样?单通道 4.5-25.0V 持续电流 2.5A马达驱动芯片有那些
发布时间:2024-12-08SA8344 H桥驱动芯片参数怎么样?单通道 4.5-25.0V 持续电流 2.5A马达驱动芯片有那些描述 SA8344是为消费类产品,智能硬件和其他低压或者电池供电的运动控制类应用提供了一个集成的电机驱动器解决方案。此器件能够驱动一个直流...
查看详情 -
单通道 3.0-12.0V 持续电流 3.0A H桥驱动芯片SA8323,苏州单通道直流马达驱动芯片
发布时间:2024-10-25单通道 3.0-12.0V 持续电流 3.0A H桥驱动芯片SA8323,单通道直流马达驱动芯片描述 SA8323是为消费类产品,玩具和其他低压或者电池供电的运动控制类应用提供了一个集成的电机驱动器解决方案。此器件能够驱动一个直流无刷电...
查看详情 -
MX612E苏州有刷直流马达驱动芯片怎么样?
发布时间:2024-02-23MX612E有刷直流马达驱动芯片怎么样?特性低待机电流 小于 0.1uA)低导通内阻 MOSFET 功率开关管— 采用 MOS 工艺设计功率管— 12 00 毫安通道功率管内阻 0. 3 5 欧姆— 200 毫安通道功率管内阻 0. 3 1...
查看详情 -
MX512H苏州有刷直流马达驱动芯片?
发布时间:2024-02-21MX512H有刷直流马达驱动芯片?一、特性*低待机电流(小于0.1uA)*工作电压范围:2V-8.6V*最大持续输出电流:1.4A(VDD=6.5V)*最大峰值输出电流:3A(VDD=6.5V)*低导通内阻—1400毫安输出电流时,内阻0....
查看详情



服务热线
公司地址:
公司邮箱: